PA捕鱼官方网站

SD8107

工作电压

2.4~3.6V

2.4~3.6V

工作电流

850μA

850μA

ADC ENOB

18.3bits@8sps
Gain = 100

18.3bits@8sps
Gain = 100

外设

--

--

封装

SOP16

SOP16
芯片描述

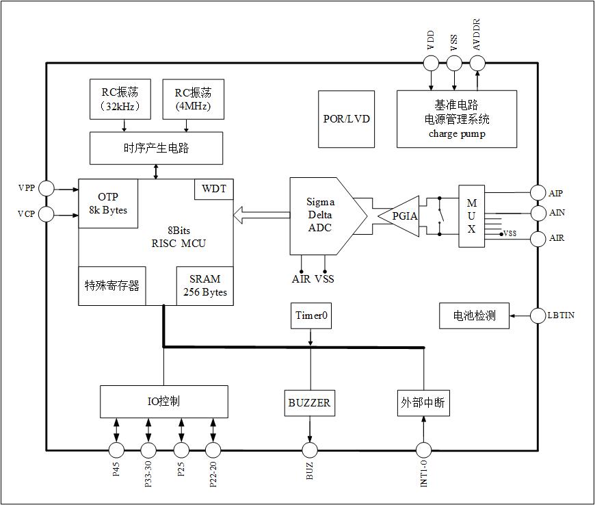
        本芯片是带20位ADC的SoC产品,程序存储器为8k Bytes OTP,可以低压自烧录,烧录电压范围:2.4~3.6V,用于替代外部EEPROM。非常适合带LED显示的人体秤等家用秤应用。
        超低功耗设计,使用内部RC振荡的2分频工作,3V工作电压下,整个芯片在典型应用时的工作电流只有850μA(不包括传感器和显示的功耗),非常适合电池供电的应用。
        MCU提供三种工作模式让用户可以在工作效率和能量消耗方面得到最佳选择,三种模式是:正常工作模式、待机模式、休眠模式。

芯片特点
  • 高精度ADC,ENOB=17.2bits@8sps,单个差分通道或者3个单端通道

  • 低噪声高输入阻抗前置放大器,1、12.5、50、100、200倍增益可选

  • 8位RISC超低功耗MCU,49条指令,6级堆栈,在2MHz工作时钟,MCU部分在3V 工作电压下电流典型值为500μA; 32kHz时钟待机模式下工作电流1.5μA,休眠模 式电流典型值为1μA

  • 8k Bytes OTP程序存储器,256 Bytes SRAM 数据存储器

  • 具有OTP低压烧录功能。烧录电压范围:2.4V~ 3.6V,可以用于替代外部EEPROM

  • 内置RC振荡,无需外部时钟

  • 8位TIMER,用于定时中断

  • 内置硅温度传感器,可以单点校正

  • 输出四种可选择稳压源:2.4V/2.6V/2.9V/3.3V,提供外部传感器激励信号

  • 灵活的电池检测功能,检测范围2.4~3.0V

  • 所有I/O带施密特触发输入,可以选择是否使用上拉电阻

  • Watch Dog Timer

  • 掉电检测电路和上电复位电路

  • 工作电压范围:2.4~3.6V

  • 工作温度范围:-40~85℃

芯片框图
应用领域

手提秤

胎压计

相关推荐产品

产品搜索

样片申请
及购买




请填写真实有效的邮箱地址!